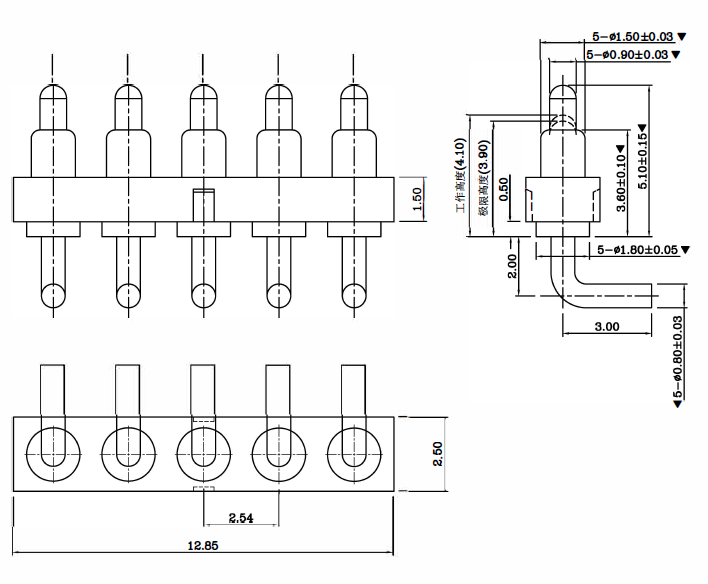
Parema Angel 5PIN isase ja naissoost Pogo Pin pistik
Vedrusõrmus on vedrutüüpi sond, mille moodustavad nõela kolm olulist osa, nõelatoru ja vedru pärast neetimist täppisinstrumendiga. Seda nimetatakse ka pogo pin, pogopin vedruelektroodi kolonniks, Spring Loaded või pogopiniks. Vedrust sõrmkübara nõela põhi on tavaliselt kaldkonstruktsioon.

Kaldkonstruktsiooni ülesanne on tagada, et pogopiin hoiaks käsi kontaktis nõela toru siseseinaga, kui see töötab, nii et vool läbib peamiselt kullatud nõela ja nõela toru, et tagada stabiilsus ja madal pogopini impedants.

Vedrusõrmseid kasutatakse tavaliselt elektroonikatoodete, näiteks mobiiltelefonide, side, autode, meditsiini, kosmosetööstuse jne täppisühendustes; kuna vedrukindel sõrmkübar on suurepärane sond, saab ruumala muuta väga väikeseks, nii et see võib täppispistikutes kasutamisel ühenduskulusid vähendada. Vähendage seadme kaalu, säästke ruumi ja kaunistage toote välimust (näiteks üliõhukesed mobiiltelefonid, nutikellad, elektroonilised sigaretid jne).

Kuus levinud pogopini stiili ja funktsiooni:
Lamedapõhjaline pogopiin: hea stabiilsus, nõela toru põhi on lamedapõhjaline, PCB-plaadiga lihtne jootma
Plug-in pogopin: nõela toru otsas on positsioneerimistihvt ja kui see on joodetud PCB-plaadile, siis kõrvalekallet ei esine ja positsioneerimisefekt on hea;
Pogopin painutamine: saba on painutatud, pakkudes disaineritele ruumikasutuse osas rohkem valikuvõimalusi;
Kahe peaga pogopin: kahe peaga ja kahepoolse toimega disain võimaldab inseneridel plaadi ja plaadi kahesuunalises ühenduses ruumi paindlikumaks muuta.
Jootetraadi pogopin: sobib Kaabli otsale, lihtne traadiga jootma
Keermestatud pogopin: spetsiaalsete spetsifikatsioonidega tooted vastavad klientide erinevatele vajadustele.

